請認真填寫需求信息,我們會在24小時內與您取得聯系,并為您提供真誠的服務,
有任何關于我們的疑問,聯系400-658-5080。

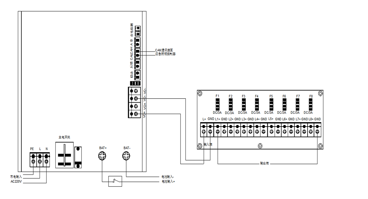
1、安全電壓式專用應急電源距地面1.5M壁掛式安裝;
2、安裝前用戶必須先確定安裝位置,然后將設備安裝就位,箱體與槽鋼用螺母固定,設備固定時應采用水平儀或用垂線進行測量安裝,以保證設備置于水位置;
3、應急專用電源設有外配電電纜進線孔(外配電下進線孔,不允許上進線),用戶將進線孔敲開(或用螺絲刀拆卸安裝板),將進線引入至設備內部相應接線端子;
4、安裝蓄電池,應避免蓄電池跌落碰撞,接線時,防止短路現象發生,以免造成蓄電池損壞;
5、該應急專用電源采用AC220V電源輸入,線徑為3×2.5;
6、八路總線輸出,輸出為安全電壓,嚴禁將AC220V電源接入;
7、與燈具連接為兩總線制,只需一組雙絞線,不分正負極,采用RVS-2×2.5 雙絞線,穿管鋪設;
8、該電源控制器主機CAN連接:CH為正極,CL為負極(采用RVSP-2×1.5 沿金屬管敷設),嚴禁與強電線同管或沿強電線槽敷設;
版權所有:濟南本安科技發展有限公司 魯ICP備13015529號-2